С правилами ознакомлен(а) Авторизация
Авторизация нужна для сохраниения Вашего "Избранного".
Войти через:
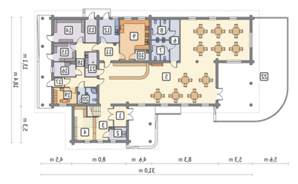
  • Первый этаж: 334.6 / 454.3
    Первый этаж:: 334.6 / 454.3
    Первый этаж:: 334.6 / 454.3
    Второй этаж: 397.0 / 296.2
    Второй этаж:: 397.0 / 296.2
    Второй этаж:: 397.0 / 296.2
  • 4M6300s Проект стильного строения общественного питания с жилыми апартаментами

    Артикул4M6300s
    Количество этажей:2
    Общая площадь:732.00 м2
    Жилая площадь:631.00 м2
    Высота дома:9.74 м
    Высота потолка:3.00 м
    Угол наклона кровли:40 °
    Кубатура:1742.30 м3
    Количество спален:10
    Количество санузлов:14
    Площадь застройки:397.9 м2
    Материалы:
    Стены:деревянный брус
    Перекрытие:монолитное перекрытие
    Кровля:керамическая черепица, металлочерепица, цементно-песчаная черепица
    Фундамент:монолитная лента

    Ваш помощник свяжется с Вами в ближайшее время.

    Заполни

    Ваши данные защищены

Планы этажей
  • Первый этаж: 334.6 / 454.3
    Первый этаж: 334.6 / 454.3
    Первый этаж: 334.6 / 454.3
    Второй этаж: 397.0 / 296.2
    Второй этаж: 397.0 / 296.2
    Второй этаж: 397.0 / 296.2
Фасады и расположение на участке
Состав проекта

Приобретая проект дома в компании Dom4M, Вы получаете комплект чертежей - 2 экземпляра, необходимый для проведения строительных работ и беспрепятственного получения разрешения на строительство.

Проект содержит три раздела – АрхитектурныйКонструктивный и Инженерный: водоснабжение, отопление, вентиляция, канализация, электроснабжение (приобретается за дополнительную плату) + Пояснительная записка.

1. Архитектурный раздел:

  • Общие данные по проекту
  • План координационных осей
  • Поэтажные кладочные планы
  • Поэтажные маркировочные планы с экспликацией помещений
  • План кровли
  • Разрезы и состав конструкций
  • Фасады с ведомостью внешних отделок
  • Элементы проемов – спецификация
  • Ведомость перемычек – сечения и спецификация
  • Экспликация полов
  • Объемы основных строительных материалов
  • Архитектурные узлы в конструкциях

2. Конструктивный раздел:

  • Общие данные по проекту
  • Схемы расположения и расчеты фундаментов
  • Элементы каркаса – схемы расположения
  • Схема расположения перекрытий
  • Опоры перекрытия на стены или Узлы армирования
  • Элементы кровли – схемы расположения
  • Чертежи отдельных элементов, узлы крепления, сечения
  • Ведомости расхода стали и бетона

3.  Инженерный раздел (приобретается по желанию за дополнительную плату):

              Водоснабжение и канализация

  • Условные обозначения с общими данными
  • Поэтажная система водоснабжения и канализации
  • Аксономитрическая схема водоснабжения и канализации
  • Узлы и спецификация материалов

              Отопление, вентиляция

  • Условные обозначения с общими даннями
  • Система вентиляции
  • Система отопления
  • Аксономитрическая схема системы отопления
  • Тепловая схема
  • Спецификация материалов

             Электротехнические решения:

  • Условные обозначения и общие данные
  • Принципиальная схема ВРУ
  • План сетей освещения, план силовых сетей
  • Схема системы уравнения потенциалов
  • Схема повторного контура заземления
  • Спецификация материалов

Проект является типовым и не учитывает конкретных условий строительства

Срок изготовления проекта дома составляет от 3 до 30 рабочих дней.

Объем проектной документации – от  50 до 100 страниц А4 и А3, в зависимости от сложности проекта

 

Наша команда Архитекторов, Конструкторов и Инженеров – всегда готовы воплотить Вашу мечту в реальность!

Мы можем вносить любые изменения в проект по Вашему пожеланию и адаптировать его с учетом конкретных геолого-топографических и климатических условий, за дополнительную плату.

  • Получить профессиональную консультацию у наших специалистов, Вы можете любым способом связи: закажите обратный звонок, по viber, e-mail, телефон - наши контакты.

Всегда рады Вам помочь!

Прочитать полный текст
Дополнительные пакеты

Пакет "Инженерные сети"

Любой архитектурно-строительный проект состоит из трех частей: архитектурной, конструкторской и инженерной. Это документ, без которого застройщик не получит разрешение на начало строительства.

Основной частью проекта являются архитектурный и конструкторский разделы. Если заказчик точно уверен, что в строительной бригаде найдутся толковые специалисты по инженерным сетям, то от разработки этой части проекта в специализированной фирме можно отказаться. Но необходимо понимать, что архитектор, конструктор и инженер работают над проектом сообща и такие моменты, как, например, штробы и проемы в стенах для прокладки труб и проводов, предусматриваются ими заранее.

Инженерная часть проекта делится на несколько частей

  • Водоснабжение и канализация (ВК)
  1. схема водоснабжения
  2. схема канализации
  3. общий вид системы.

Прежде, чем приступать к проектированию, необходимо определиться, какая будет коммуникация – индивидуальная или подключенная к централизованной системе.

Индивидуальное водоснабжение дает полную независимость от внешних условий. Но необходимо помнить, что понадобятся собственные источники воды, а бурение скважины обойдется в приличную сумму.

Подключение к централизованной системе потребует разработки проекта в соответствии с техническими условиями существующей сети и получение разрешения на врезку.

При подключении канализации к централизованной системе, порядок работы такой же, как и при подключении водоснабжения: оформление запроса в соответствующие службы, разработка проекта, получение разрешения на врезку в систему. Если вы решили организовать индивидуальную канализационную систему, то время от времени вам придется приглашать ассенизаторскую службу.

  • Отопление и вентиляция (ОВ)
  1. схема отопления: расчет необходимой мощности оборудования, схемы распределения теплотрасс, расположение труб и радиаторов
  2. схема вентиляции: привязка к силовому электрооборудованию, вентиляционные коммуникации и шахты, узлы проходов и, если необходимо, места размещения печей и каминов
  3. обвязка котла (если необходимо)
  4. общие указания и рекомендации по разделу.

Если система вентиляции это всегда индивидуальное проектирование, то отопление может быть как индивидуальным (печное, воздушное, водяное, электрическое), так и с подключением к централизованным сетям.

  • Электроснабжение (ЭТР)
  1. разводка освещения
  2. разводка силовых сетей
  3. схема ВРУ
  4. система по заземлению
  5. детальное описание и характеристики всех элементов системы.

Электрические системы можно разделить на обязательные и дополнительные. К обязательным относятся внутреннее и наружное освещение, системы вентиляции, кондиционирования и электроотопления. К дополнительным можно отнести такие системы, как "Теплый пол" или автоматизированное управление воротами.

ВАЖНО

  • В каждой из частей инженерного раздела проекта должны содержаться общее и технические описания, спецификации материалов и необходимого оборудования.
  • Чертежи элементов всех систем и поэтажной электрической разводки выполняются в масштабе 1:100.

Цена: от 2500 тг / м²

   

Пакет "Инженерные сети"

Пакет "Инженерные сети"

Проект инженерных сетей позволит грамотно проложить коммуникации и сделать дом по-настоящему комфортным и современным.

  • Цена: от 2 500 тг / м²

Изменения в проекте

Зачастую перед заказчиком встает вопрос: выбрать типовой проект дома и сэкономить, потеряв при этом на оригинальности будущего жилья, или заказать индивидуальный проект, но за большие деньги.

Наша компания предлагает компромиссный вариант. Вы заказываете типовой проект, а мы вносим в него изменения, максимально учитывая все ваши пожелания. Конечно, это предполагает дополнительные расходы, но, в любом случае, такое проект обойдется намного дешевле, чем работа под конкретный заказ. А уж о том, чтобы ваш дом выглядел оригинально, мы позаботимся.

В проект дома можно внести такие изменения:

перенести стенные перегородки. Но только в том случае, если они не являются несущими. Такая операция позволит изменить размер и назначение комнат

перенос оконных и дверных проемов позволит изменить освещенность комнат и организовать удобный доступ в нужные вам помещения

изменение типа перекрытий и стен позволит вам в полной мере реализовать собственные представления об экономном и рациональном жилье

изменить высоту потолков. Хотя все наши дома спроектированы с оптимальной высотой помещений 2,8 м, некоторые заказчики считают, что высокие потолки – это дополнительный уют и комфорт

переоборудование мансарды под жилое помещение даст вам возможность расширить собственное жизненное пространство

изменять угол наклона кровли и навесов стоит с учетом климатических условий конкретного региона

изменять тип фундамента необходимо, учитывая инженерно-геологических параметры грунта. Также существует возможность добавить или изменить подвал или цокольный этаж

добавить, убрать, изменить гараж или террасу, вы можете, сообразуясь со своими представлениями о функциональности жилья

изменение конструктивного состава, строительных и отделочных материалов позволит вам экономно распорядиться собственными финансовыми средствами

проект в зеркальном отображении позволит органично вписать дом в окружающий ландшафт.

ВАЖНО:

Внесенные изменения не должны влиять на безопасность дома.

Слишком большое количество изменений, как правило, не улучшают проект. Если в каталоги вы не смогли выбрать подходящий дом, то, может быть, стоит заказать у архитектора жилье по индивидуальному проекту.

Цена: от 28000 тг

Изменения в проекте

Изменения в проекте

Дом, построенный по типовому проекту, может выглядеть оригинально 

  • Цена: от 28 000 тг

BIMx модель

Мы идем в ногу со временем и уже сегодня предлагаем вам возможность  получить вместе с проектной документацией  BIMx  модель -  основанной на технологии, обеспечивающей одновременную навигацию по 2D-документации и 3D-моделям зданий. 

Теперь вы сможете «покрутить, походить внутри, увидеть ваш будущий Дом со всех сторон» Посмотреть все размеры и высоты, спецификации проемов и тд. Вы получите файл, который будет вашим надежным, удобным помощником для  контроля строительства.

*Файл вы получаете в электронном виде и используете с помощью приложения BIMX на мобильных устройствах Apple и Android

Приложение BIMX доступно бесплатно в Play Market, App store

Демонстрация BiMx

Цена: 40000 тг

BIMx модель

BIMx модель

BIMx  модель - интерактивный просмотр трехмерной  модели вашего дома. Теперь вы сможете «покрутить, походить внутри, увидеть ваш будущий Дом со всех сторон»

  • Цена 40 000 тг.

Пакет "Адаптация фундамента"

Когда разрабатывается типовой проект дома, то за основу берутся некие усредненные параметры почвы. Но, не располагая точными данными геологической экспертизы, сложно учесть все нюансы при проектировании. Поэтому, зачастую инженерно-геологические характеристики реального участка существенно отличаются от изначально заложенных в проекте. А это значит, что фундамент – основу всего дома – необходимо будет доработать для того, чтобы он получился крепким и надежным.

Чтобы полностью исключить все проблемы при закладке фундамента, специалистами нашей компании разработан пакет "Адаптация фундамента". При реализации пакета учитываются не только технические характеристики, но и пожелания заказчика.

Такой пакет включает в себя:

  • выбор типа фундамента
  • расчет технических параметров:

- глубина закладки подошвы фундамента
- несущая способность
- показатели напряжения почвы под основанием фундамента
- площадь сечения рабочей арматуры, проч.

  • подробные чертежи нулевого цикла

Адаптация фундамента дает полную гарантию его прочности, а значит и надежности всего здания. Вы гарантированно избавляетесь от таких проблем, как усадка и трещины во время эксплуатации уже готового дома. Причем, зачастую адаптированный фундамент оказывается дешевле, чем вариант, первоначально заложенный в проекте. А это поможет сэкономить материалы и финансовые средства.

Цена: от 56000 тг

Адаптация под свайный фундамент от 72000 тг

Пакет "Адаптация фундамента"

Пакет "Адаптация фундамента"

Подготовка проекта фундамента под конкретный участок

  • Цена: от 56 000 тг

Индивидуальное проектирование

    Если вы решили строить дом, значит, у вас есть собственное представление о том, каким должно быть жилище вашей мечты. И если ни один из типовых проектов вам не подходит, есть смысл подумать об индивидуальном проекте. К тому же, в нем будут максимально учтены все ваши пожелания: уровень комфорта, состав семьи, даже вид из окна. Понятно, что такой проект обойдется недешево. Но вы точно будете знать, что другого такого не существует.
Иногда, правда, приходится прибегать к индивидуальному проектированию вынужденно. Например, достался застройщику участок земли нестандартной конфигурации, и ни один типовой проект в него просто не вписывается. А бывает и так, что количество изменений, внесенных заказчиком, такое, что проще и дешевле спроектировать дом с чистого листа.

Этапы работы над индивидуальным проектом:

  • разработка технического задания на проектирование дома
  • договор на проектные работы
  • подготовка эскизного проекта: привязка здания к местности, внешний и внутренний вид, планировки, разрезы
  • детальная проработка разделов проекта.

Кроме того, можно также заказать:

  • проекты дополнительных сооружений - гаража, мастерской, бани и т. д.
  • визуализацию проекта в 3D формате.

В конечном итоге, заказчик получает пакет проектной документации, состоящий из архитектурного и конструктивного разделов.

В проекте представлены:

  • Генеральный план дома с привязкой его к границам участка.
  • Поэтажные планы, в которых указаны толщина стен, перемычек и перегородок, площади помещений, спецификация окон и дверных проемов.
  • Планы фасады с указанием отделочных материалов и цветовыми решениями.
  • Разрезы здания и основных узлов.
  • Чертежи и разрезы фундамента, ведомость расхода материалов.
  • Расчет перекрытия, стропильной системы кровли, узлы утепления и гидроизоляции кровли.

Определиться со стилем будущего дома можно в каталоге  "Индивидуальное проектирование".

Цена: от 1800 тг / м²

Индивидуальное проектирование

Индивидуальное проектирование

Реализуйте свою индивидуальность с индивидуальным проектом!

  • Цена: от 1 800 тг / м²

Пакет "Тендерное предложение"

Для любого застройщика вопрос из веселого детского стишка "что нам стоит дом построить…?" далеко не праздный. Тем более что стоимость возведения дома зависит от множества факторов. Поэтому, не стоит прикидывать расходы "на глазок". Не обладая полной информацией, посчитать все до мелочей не получится и, в конечном итоге, себе же дороже обойдется. И, кроме того, тщательный просчет стоимости материалов и работ влияет не только на ваши финансы, но и на сроки постройки дома.

Предельно точно рассчитать затраты на строительство вы сможете воспользовавшись услугой "Тендерное предложение", разработанной нашими специалистами. По сути, это документ, в котором приводится полный список всех стройматериалов и работ с указанием их объемов.

Наличие тендерного предложения позволяет:

  • получить реальную картину затрат на предстоящее строительство
  • привлечь строительную фирму, которая способна предложить самые выгодные условия выполнения работ
  • не только понимать суть строительного процесса, но и со знанием дела контролировать расход стройматериалов, самостоятельно корректируя цены по каждому пункту
  • грамотно контролировать действия подрядчиков на всех этапах строительства

тендерное предложение, подкрепленное информацией о стоимости материалов и строительных работ – серьезный аргумент для получения в банке кредитных средств.

Нашим заказчикам DOM4M предоставляем тендерное предложение в виде таблицы в формате *.xls. Это позволит вам, после тщательного проведения анализа документа, отредактировать его самостоятельно.

 

Пакет "Тендерное предложение"

Пакет "Тендерное предложение"

Закажите подробную смету. Стройте с выгодой для себя!

  • Цена 60 000 тг.

Пакет "Антилед"

Сугробы и лед в зимнее время на крыше вашего дома доставляют массу неприятностей. Можно, конечно, забраться на крышу и помахать лопатой на морозе 2-3 часа - делов-то. Но уже давно придуманы и широко применяются эффективные системы снеготаяния и антиобледенения. Их основа – нагревательные кабели. Система организована по тому же принципу, что и "теплый пол". Только более мощная и шаг укладки кабеля меньше.

Пакет "Антилед" разрабатывается с учетом особенностей энергоснабжения дома:

для крыши и водостоков: снеготаяние в желобах, на краю кровли с целью предотвращения образования сосулек и наледь в трубах

для входной группы: подогрев ступеней, дорожек и открытых площадок

для подъезда к гаражу: подогрев подъездных путей

кроме того, иногда система "Антилед" используется для подогрева грунта в теплицах, и для ландшафтного обогрева клумб, газонов и лужаек, а также для обогрев спортивных сооружений.

В процессе проектирования рассчитывается минимальный расход электроэнергии и обеспечивается противопожарная безопасность. При создании системы «Антилед» рекомендуется использовать только сертифицированные самонагревающиеся элементы, не поддерживающие горение. Кроме того, система оснащается устройством отключения при перегреве или дифференциальным автоматом для автоматического отключения системы при обнаружении энергопотерь. Если система получается слишком большая, ее разбивают на более мелкие участки. Так проще управлять ее работой.

Важно:

для многоскатной крыши систему "Антилед" специалисты нашей компании спроектируют по индивидуальному заказу.

Цена: от 39000 тг

 

 

Пакет "Антилед"

Пакет "Антилед"

Ваш комфорт и безопасность в зимнее время

  • Цена 39 000 тг.

Пакет "Молниезащита"

Зачастую застройщики не придают большого значения защите собственных домов от молнии: кто-то экономит, кто-то считает, кто-то надеется на "авось". Но года через 3-4 после постройки дома, многие вспоминают о защите от молнии. Толи у соседа в грозу погорела вся бытовая техника, толи на глаза попалась статистика о том, сколько за год случается пожаров из-за молний.

Предлагаем решить вопрос сразу: предусмотреть защиту уже на стадии проектирования дома. Об этом стоит задуматься хотя бы из чисто эстетических соображений – не нужно будет лишний раз долбить стены дома и тянуть токоотвод по фасаду, нарушая продуманный внешний вид здания. 

Защита дома от молнии - это система устройств, расположенных как вне дома, так и внутри помещений. Внешняя молниезащита предупреждает попадание молнии в дом, внутренняя - обеспечивает защиту электросети от резких скачков напряжения. А специальные устройства защищают электротехнику от резких изменений электромагнитного поля в радиусе удара молнии.

В пакет "Молниезащита" входят

  • план-схема расположения молниеприемников, принимающих на себя прямые удары молний
  • схема-разрез токоотвода, отводящего ток от молниеприемника к заземлению
  • схема контура заземления, которое распределяет энергию молнии в почве, обеспечивая полную безопасность
  • усредненные расчеты сопротивления
  • подробный перечень необходимых материалов
  • рекомендации по реализации проекта.

Пакет "Молниезащита" от компании Dom4M гарантирует вам безопасноть дома даже в самую сильную грозу.

Цена: от 39000 тг

Пакет "Молниезащита"

Пакет "Молниезащита"

Защита от молнии: подумайте о безопасности заранее

  • Цена 39 000 тг.

Пакет "Центральный пылесос"

«Центральный пылесос» представляет собой разновидность системы аспирации (удаление мелких частиц посредством засасывания их воздушным потоком).

Система состоит из:

  • пылесос (устанавливается в техническом помещении);
  • система воздуховодов, по которым движется пыле-воздушная масса (чаще осуществляется скрытый монтаж в подготовке пола либо в пространстве за подшивным потолком);
  • пневморозетки и пневмосовки (к первым подключается гибкий шланг с телескопической штангой и насадкой, как в обычном пылесосе, вторые предназначены для экспресс-уборки, как правило, на кухне). 

 

 Плюсы:

  • удаляемый запыленный воздух не попадает обратно в помещение, а «выбрасывается» после агрегата на улицу;
  • Отсутствие шума в убираемых помещениях. 
  • Удобство уборки без «перетягивания» пылесоса из помещения в помещение, без использования удлинителей.
  • Скрытый монтаж системы, в комнате нет ничего кроме пневморозетки.

Цена проекта: от 44000 тг / м²

Пакет "Центральный пылесос"

Пакет "Центральный пылесос"

Неотъемлемая часть современного дома - комфорт, чистота и свежий воздух

 

  • Цена проекта: от 44 000 тг

Пакет "Комфортный дом"

Толковые словари утверждают, что комфорт - это совокупность бытовых удобств, без которых немыслима жизнь современного человека в современном доме. Большинство таких удобств закладываются еще на стадии проектирования. Но мы готовы расширить их список и помочь клиентам сделать собственное жилье максимально комфортным.

Поэтому наша компания Dom4m разработала для вас пакет "Комфортный дом", который позволит сделать жилище более прохладным в жаркий летний день, а в зимние холода – уютным и теплым.

В пакет "Комфортный дом" входят

  • Проект "теплого пола". Это современная технология обогрева дома. Ее можно использовать,  подключившись и к местной, и к централизованной системе отопления. Кроме того, полы с подогревом могут быть как основным, так и дополнительным источником тепла в помещении. Главное достоинство системы в том, что она создает равномерный тепловой режим, не сушит воздух и при этом органично вписывается в любой интерьер.
  • Проект системы вентиляции с рекуперацией. В отличие от традиционных систем, вентиляция с рекуперацией дает возможность сэкономить значительные средства при эксплуатации. Суть системы состоит в том, что отработанный воздух, проходя через рекуператор, отдает свое тепло, холодному потоку, заходящему с улицы. Все гениальное просто. Такая система позволяет в разы снизить затраты на отопление. Экономия доходит до 80%. А, кроме того, снижается нагрузка на сети. В летнее время с помощью системы вентиляции с рекуперацией можно охлаждать теплый воздух с улицы. А здесь вы уже получаете экономию от уменьшения потребления энергии при кондиционировании дома.
  • Проект системы кондиционирования. Такой проект предлагает вам на выбор канальный кондиционер с распределением воздушных потоков по помещениям или мульти-сплит систему, позволяющую к внешнему блоку подключить сразу несколько внутренних.

Цена: от 154000 тг

 

Пакет "Комфортный дом"

Пакет "Комфортный дом"

Не отказывайте себе в комфорте.  Дополнительный пакет "Комфортный дом" для тех, кто по-настоящему ценит домашний уют

  • Цена: от 154 000 тг

Пакет "Теплый пол"

Технология "Теплый пол" стала важной составляющей в поддержании оптимального температурного режима и организации общей комфортной среды в доме. Такое оборудование способно эффективно дополнить любую систему отопления. Кстати, иногда "Теплый пол" может выступать и как основной способ обогрева дома. За счет использования такого оборудования, температура пола на 2-3о выше, чем температура на уровне головы взрослого человека.

А все помещение равномерно прогревается на высоте до 1,5 метра. Как говорится: держи голову в холоде, а ноги в тепле.

Если в вашей семье есть маленький ребенок, это станет решением многих вопросов. Да и вам комфортное тепло в холодное время года не помешает.

Пакет "Теплый пол", подготовленный нашими специалистами, позволит вам по достоинству оценить эту технологию:

  • тепло равномерно распределяется по всему помещению
  • воздух прогревается за считаные минуты
  • элементы системы скрыты и не портят общий вид помещения
  • продуманная система управления с помощью сенсорной системы или дистанционного пульта позволяет быстро отрегулировать и эффективно поддерживать заданную температуру
  • долговечность и надежность такой системы отопления подтверждена эксплуатацией в различных климатических условиях.

Пакет "Теплый пол" предполагает разработку индивидуального проекта:

  • выбор типа и конструкции системы
  • подбор наиболее экономных и надежных циркуляционных насосов
  • расчет параметров системы
  • расчет теплопотерь
  • оптимальная схема системы отопления с указанием контура отопления и его площади, шага укладки, типа и диаметров нагревательных элементов.

Цена: от 800 тг / м²

Пакет "Теплый пол"

Пакет "Теплый пол"

Создайте комфортный климат в вашем доме. Пакет "Теплый пол"

  • Цена:от 800 тг / м²

Адаптация проекта под сейсмозоны

Подобрать достойный проект дома для сейсмоопасного района - большая проблема. Сложность заключается в том, что специализированных проектов не так уж много. Поэтому подобрать дом, соответствующей вашим представлениям о комфортном и уютном жилище достаточно проблематично.

Компания Dom4M берется адаптировать любой собственный проект под сейсмоопасный регион, где разрешена жилая застройка. Таким образом, вам не придется соглашаться на компромиссный вариант – безопасность в ущерб внешнему виду или наоборот. Мы гарантируем, что ваш дом будет уютным, красивым и безопасным.

Важно

  • адаптация предполагает изменения в проекте для его соответствия Строительным нормам РФ по разделу Строительство в сейсмически опасных регионах
  • количество и сложность изменений зависит от выбранного проекта и сейсмических характеристик района.

Цена: от 155000 тг

 

Адаптация проекта под сейсмозоны

Адаптация проекта под сейсмозоны

Сейсмически безопасный дом: и надежно, и красиво

  • Цена: от 155 000 тг

Дополнительная копия проекта

Типовой пакет документации предполагает наличие двух экземпляров проекта дома. Первый остается у заказчика, а второй экземпляр передается строителям. В случае необходимости, вы можете дозаказать третий экземпляр проекта.

Такую копию не обязательно делать. Она может пригодиться вам только в нескольких случаях. Обычно, это делается для того, чтобы предоставить проект третьим лицам, например, поставщикам материалов. Если время дорого, то наличие дополнительного проекта дома поможет существенно ускорить работу по адаптации проекта, а наличие таких копий сразу у нескольких специалистов позволит существенно сократить сроки строительства.

А, кроме того, наличие копии проекта поможет, в случае необходимости, без лишней нервотрепки и затрат времени восстановить утерянные или испорченные документов.

Звоните! В компании Dom4M к вашим проблеме отнесутся с максимальным вниманием. Наши специалисты оформят дополнительную копию проекта в самые сжатые сроки.

Цена: 11000 тг

Дополнительная копия проекта

Дополнительная копия проекта

Для предусмотрительных: дополнительная копия проекта с печатью

  • Цена 11 000 тг.

Проект стильного строения общественного питания с жилыми апартаментами 4M6300s

История просмотров
Комментарии
Чтобы оставить комментарий, Вы должны либо заполнить поля ниже, либо авторизироваться на сайте.
Загрузить фото, до 5 штук
Ваша оценка:
Подобные
ЗАКАЗАТЬ
Категории
© 2010-2021 Dom4M. Все права защищены
This site is protected by reCAPTCHA and the Google Privacy Policy and Terms of Service apply